近日,廣西都安縣發改委印發《關于申報2024年都安瑤族自治縣風力和光伏發電項目的通知》,擬安排風、光規模共計1.6GW。
根據文件,本次申報的集中式風電項目約500MW,位于拉烈鎮、加貴鄉;集中式光伏項目約100MW,位于百旺鎮龍燕村;分散式風電項目和分布式光伏項目約1000MW,位于北部片區和東部片區。
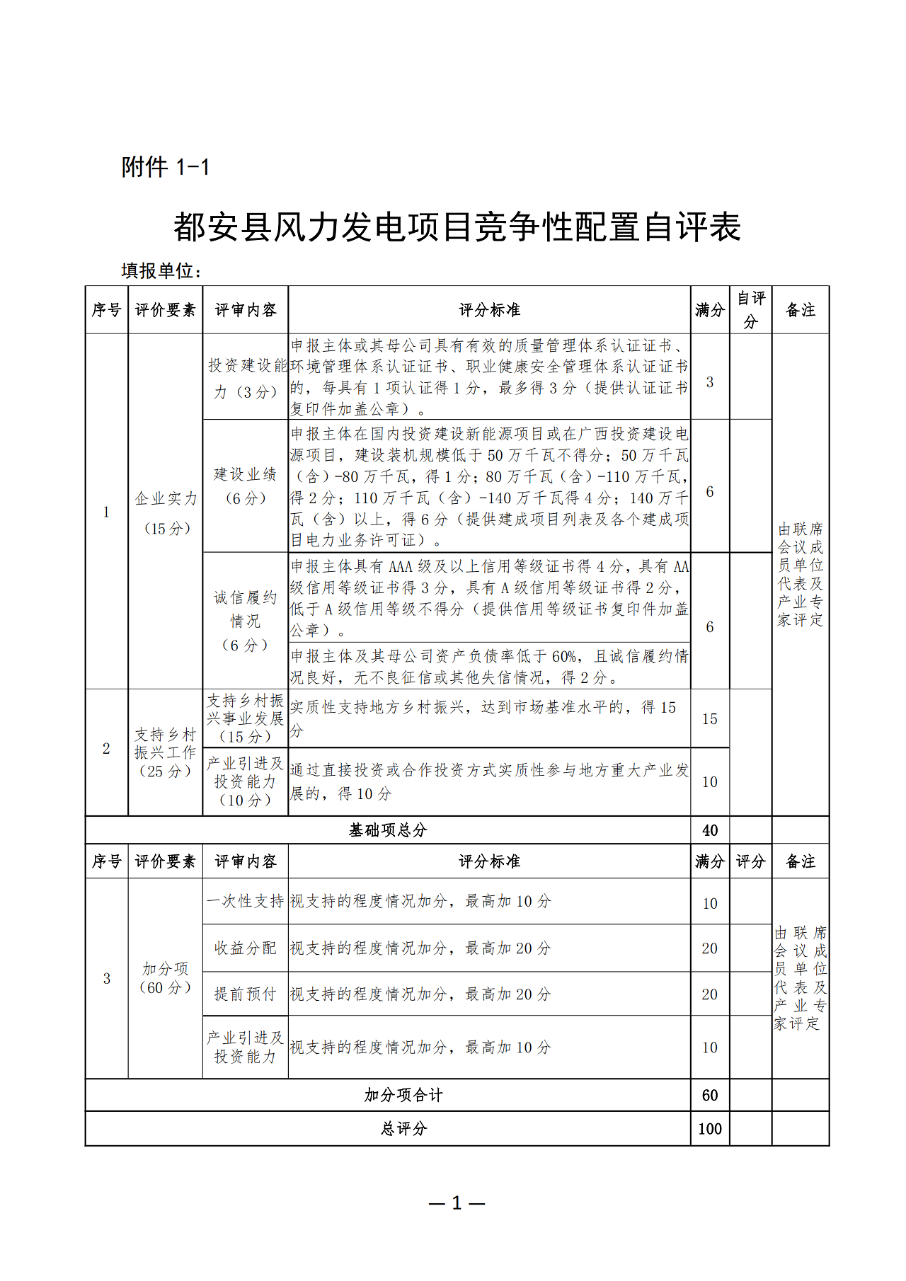
其要求的申報材料包括項目建議書、企業自得評分、承諾文件以及其他有關材料。其中,項目建議書要求鼓勵支持地方鄉村振興事業發展,與生態旅游、美麗鄉村、特色小鎮等民生改善工程深入結合,促進縣域經濟發展。
在企業自得評分中,基礎總分40分,其中支持鄉村振興事業發展為15分,產業引進及投資能力為10分。額外的60分加分項則包括一次性支持、收益分配、提前預付、產業引進及投資能力,按支持程度加分。

需要提交的其他材料中,主要包括申報主體支持一次性收益分配、發電收益分配、提前預付、產業引進及投資等方面的承諾或相關協議復印件。
盡管國家主管部門三令五申新能源項目不得要求產業配套,并于近日下發了《開展新能源及抽水蓄能開發領域不當市場干預行為專項整治工作方案》的通知,明確表示對新能源發電項目強制要求配套產業進行整治。但是,地方政府則“花樣百出”,通過鼓勵、自愿、加分等“非強制”要求,將新能源指標視為資源進行產業置換,新能源非技術成本的降低仍然任重道遠。
具體見下:
都安瑤族自治縣發展和改革局 關于申報2024年都安瑤族自治縣風力和光伏發電項目的通知
各有關投資企業:
為加快推進都安瑤族自治縣新能源產業發展,統籌管理都安瑤族自治縣風力、光伏資源的開發利用。根據《國家能源局關于加快推進分散式接入風電項目建設有關要求的通知》(國能發新能〔2017〕3號)、《國家發展改革委關于修訂印發<國家發展改革委投資咨詢評估管理辦法>的通知》(發改投資規〔2022〕632號)等文件要求,結合我縣經濟社會發展需求和新能源發展形勢,現將2024年都安瑤族自治縣風力和光伏發電項目申報工作有關事項通知如下:
一、申報條件
1.申報主體須為在中華人民共和國境內注冊,具有獨立法人資格的企業,且須在國內具備陸上及海上風力發電、光伏發電或在廣西投資建設電源項目總并網不低于50萬千瓦的建設規模的企業。集團子公司申報的,該子公司應為所屬企業集團的全資或絕對控股的子公司,且應取得所屬集團公司的書面申報授權,并提供股權關系證明材料。
2.申報主體須出具中國人民銀行征信中心和信用中國網站的企業信用報告,及近三年財務報表(報告)或審計報告。
3.申報主體凈資產不低于擬申報項目資本金的2倍或提供申報項目資金證明(企業銀行賬戶余額單、銀行保函等證明材料),資金額度不得低于申報項目總投資的20%。
4.存在擅自變更投資主體、倒賣前期工作批復文件等違法違規行為的企業不得參與申報。
二、申報區域
1.縣級初審的集中式風電項目約500MW:拉烈鎮、加貴鄉;
2.縣級初審的集中式光伏項目約100MW:百旺鎮龍燕村;
3.分散式風電項目和分布式光伏項目約1000MW:北部片區(三只羊鄉、板嶺鄉部分區域、永安鎮部分區域、隆福鄉部分區域、大興鎮部分區域、高嶺鎮部分區域)和東部片區(拉仁鎮、九渡鄉、百旺鎮部分區域、菁盛鄉、龍灣鄉、澄江鎮)。
三、材料要求
1.項目建議書。申報企業(包括主要股東企業)的主營業務、行業地位、資產負債、股東構成、凈資產,已建成并網(或開工建設)的風電項目情況等內容;鼓勵支持地方鄉村振興事業發展,與生態旅游、美麗鄉村、特色小鎮等民生改善工程深入結合,促進縣域經濟發展。
2.企業自評得分。申報企業按照企業實力、支持鄉村振興事業發展等內容,現場提交材料并填寫自評表。
3.承諾文件。項目業主對申報材料真實性的承諾文件。
4.其他有關資料。
申報材料按照項目裝訂成冊并附目錄,一式5份。封面加蓋申報企業公章,確定一名項目聯系人和聯系方式。不接受郵寄材料和電話報名,需現場投送報名資料。
四、確認程序
對申報主體報名資料進行審核后,確定入圍名單。根據報名情況由自治縣發改局根據有關規定召開會議集中討論,擇優選定符合條件的投資主體按程序報批。
五、報名時間、地點
(一)時間:2023年10月20日至2023年10月24日(上午8:00-12:00,下午15:00-18:00)
(二)地點:都安瑤族自治縣安陽鎮大橋路33號。?
(三)聯系人:潘彥君,電話:0778-5221501。
都安瑤族自治縣發展和改革局?
2023年10月20日?













評論