2017年,中國新增太陽能發電裝機容量超53GW,位居全球第一,其中分布式光伏發電得到了大力支持,新增裝機容量一舉突破了19GW。目前,國內光伏產業鏈各個環節已經相當完整,參與其中的廠家眾多,光伏市場趨于飽和,在激烈競爭的形勢下,降低產品的生產成本同時提高產品的可靠性成為廠家搶占市場的主要方式;其中的電流傳感器作為光伏并網逆變器中的核心檢測元件,在要求產品穩定性的同時,還需兼顧高精確的電量計量工作。

如果從電流傳感器的設計原理來分類,常用的有開環,閉環,磁通門等技術,通常會根據不同的應用場合選擇不同原理的電流傳感器來實現相應的功能。
開環霍爾電流傳感器基于直測式霍爾原理,當原邊一次側電流產生的磁通被高品質磁芯聚集在磁路中,霍爾元件被固定在很小的磁路開口氣隙空間里,對磁通的變化進行線性檢測,霍爾器件輸出的霍爾電壓經過特殊電路處理后,副邊輸出與原邊波形一致的跟隨電壓,此電壓能夠精確反饋原邊電流的變化。
閉環霍爾電流傳感器基于磁平衡式霍爾原理,即閉環原理(也稱磁平衡式霍爾),當一次側原邊電流產生的磁通通過高品質磁芯集中在磁路中,霍爾元件被固定在氣隙中檢測磁通,通過繞在磁芯上的多匝線圈輸出反向的補償電流,用于抵消原邊電流產生的磁通,使得磁路中磁通始終保持為零;經過特殊電路的處理,傳感器的輸出端能夠輸出精確反饋原邊電流變化的信號(電流輸出或者電壓輸出)。
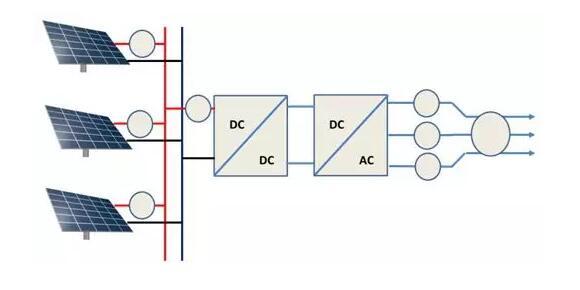
眾所周知,典型的分布式光伏逆變器的拓撲(如下圖所示)包含了直流輸入環節(組串輸入匯流),直流升壓環節(Boost MPPT線路),直流逆變交流環節(DC/AC 線路),以及交流輸出環節(漏電流檢測),電流檢測在每一個環節必不可少。

直流環節開環電流傳感器
目前,絕大多數的廠家都在直流側(組串電流檢測或者DC/DC Boost線路輸入電流檢測)選擇開環電流傳感器,因為直流側電流檢測只是做測量,不參與保護,所以對于精度的要求并不是很高,通常1%-2%的精度即可滿足要求,至于溫度特性的不足,可以通過軟件的算法對零點溫漂和精度等硬性參數指標進行修正補償。有助于電流傳感器在使用上的一致性。而且開環電流傳感器的成本比閉環電流傳感器的成本低,所以開環傳感器在直流側的優勢比較明顯。
交流環節閉環電流傳感器
目前國內絕大多數廠家在交流側都采用閉環傳感器,因為交流側電流傳感器的輸出一般都是用于軟件控制,如果精度太低,對一些關鍵量的檢測和控制就會產生影響。比如直流分量的檢測提取,盡管每個國家對直流分量接受值不一樣,但是需要控制在標稱輸出電流的0.5%,甚至0.25%,所以只有閉環傳感器才能滿足高精度的要求。
當下,隨著光伏組件高度集成化,新器件的工藝提升,逆變器廠家研發技術的進步,光伏逆變器的單體模塊功率越做越大,功率密度也越來越高,對于電流傳感器的選擇也提出了更高的要求,除了擁有常規的電氣性能外,還要求:
a) 體積小,高絕緣耐壓,集成度高,易于自動化生產
當印刷電路板(Print Circuit Board)上用于電流測量的布板空間比較小時,理想情況是采用芯片式電流測量方案。將初級導體進行集成,直接表面貼裝(Surface Mounted Device)到印刷電路板上,從而降低制造成本,同時也避免混淆各種焊接工藝。LEM 最新開發的GO-SMS(下圖左)/HMSR-SMS(下圖右) 系列電流傳感器均為SMD封裝的芯片式電流傳感器。

除了滿足體積小之外,GO-SMS的原副邊引腳設計還分別實現了7.5mm爬電和電氣間隙距離,HMSR-SMS的原副邊引腳設計更是達到了8.0mm的爬電和電氣間隙距離。封裝采用600 CTI材料進行累積,使其具有高隔離性能(測試隔離電壓:4.3kVrms/50 Hz/1min),其中HMSR芯片式電流傳感器專門用于1500Vdc直流輸入的太陽能系統。
b) 10kA抗浪涌能力
目前逆變器廠家的設計,一般和光伏組件(PV面板)或電網直接相連的線路上都會有雷擊浪涌的風險,為了幫助廠家簡化網絡端口處的防雷設計,HMSR-SMS在設計之初,充分考慮到原邊抗浪涌能力,設計了專門優化的初級導體,當原邊通過10kA 8/20us的雷擊浪涌電流時,芯片內部依然可以正常工作而無任何的失效。
c) 內置過流保護告警功能
GO-SMS/HMSR-SMS芯片式電流傳感器可用于峰值電流檢測,用于真實值與設定點(保護點)的對比,保護點的設定可使用內置(出廠默認值))或外置(用戶修改值),并通過專門的OCD引腳輸出低電平有效的告警信息用于通知控制器(DSP)過流信號的產生以便DSP快速做出響應保護線路中的IGBT等器件。
除上述特色功能之外,LEM的芯片式電流傳感器可測量標稱交流、直流、脈沖和混合隔離電流,測量范圍寬至± 3 x Ipn,帶寬100kHz。
GO-SMS/HMSR-SMS芯片式電流傳感器設計基于HG2 ORION平臺的獨特LEM 開環霍爾效應ASIC技術。標有CE標識,符合EN50178標準。與傳統離散技術相比,具有更寬的工作溫度范圍(-40到+85°C),更好的偏移和增益漂移以及線性度。
GO-SMS/HMSR-SMS芯片式電流傳感器通過一個+5V電源來運行,并提供可配置的基準電壓(2.5V),增益和偏移為固定值并進行了設定,額定測量電流對應的輸出電壓等于輸入或輸出基準電壓± 0.625 V。可提供10-30A 的額定電流檢測能力,非常適合于直流側的組串電流檢測和DC/DC Boost電路的輸入電流檢測。







評論